Преобразователи частоты серии LCI были разработаны для общепромышленных применений и могут использоваться в самых разных промышленных отраслях. Частотные преобразователи позволяют регулировать скорость и момент, а также обеспечивают защиту электродвигателей мощностью от 0.4 до 1400 кВт.
Отличительные особенности серии:
РАБОТА В ДВУХ РЕЖИМАХ
• насосный
• общепромышленный
ДВА НАБОРА ПАРАМЕТРОВ ЭЛЕКТРОДВИГАТЕЛЯ
Можно ввести две группы параметров – для первого двигателя и для второго. В случае необходимости реализована возможность переключать привод с одной группы параметров на другую.
«ПОЖАРНЫЙ РЕЖИМ»
Опция “пожарный режим” – это возможность преобразователю частоты продолжать работу в условиях пожара, несмотря на вероятность повреждений, а также игнорируя возникающие ошибки.
ВАРИАТИВНОСТЬ ФУНКЦИОНАЛЬНЫХ ВОЗМОЖНОСТЕЙ
Биполярный аналоговый вход, оптимальное количество входов/выходов для реализации различных задач. Платы расширения для работы с энкодерами позволяют настраивать частотные преобразователи под конкретные задачи производства.
IP54
Модельный ряд дополнен серией с IP54, эти устройства подходят для эксплуатации в пыльных помещениях, а также в помещениях повышенной влажности.
Области применения
Серия подходит для общепромышленных механизмов, а также для работы с энкодерами и управления моментом. Устройства могут использоваться для работы со станками, насосами, шредерами, дробилками, компрессорами, тележками и многим другим оборудованием.Система обозначения преобразователей частоты серии LCI
1. Серия2. Режим G - общепромышленный*
3. Мощность электродвигателя (кВт) для общепромышленного режима (G)
4. Режим P - насосный**
5. Мощность электродвигателя (кВт) для насосного режима (P)
6. Номинальное напряжение:
- 1. вход 1~230 (220) В, 50/60Гц, выход 1~230 (220) В
- 2. вход 1~230 (220) В, 50/60Гц, выход 3~230 (220) В
- 3. вход 1~230 (220) В, 50/60Гц, выход 3~400 (380) В
- 4. вход 3~400 (380) В, 50/60Гц, выход 3~400 (380) В
- 6. вход 3~690 (660) В, 50/60Гц, выход 3~690 (660) В
8. LCI(S) - серия с более простыми функциональными возможностями
9. Дополнительные опции:
СЗС - дополнительное покрытие плат лаком;
КМП-П - защитное покрытие плат компаундом;
IP54 - степень защиты IP54;
FM - «пожарный режим»;
SM - работа с синхронными двигателями.
*Общепромышленный режим(тяжелый, G) - используется с нагрузкой с постоянным вращающим моментом. В этом случае величина вращающего момента, необходимого для приведения в действие какого-либо механизма, постоянна независимо от скорости вращения. Примером такого режима работы могут служить конвейеры, экструдеры, компрессоры.
**Насосный режим (нормальный, P) - используется с нагрузкой с переменным вращающим моментом. Этот момент имеет отношение к нагрузкам, для которых требуется низкий вращающий момент при низкой частоте вращения, а при увеличении скорости вращения требуется более высокий вращающий момент. Типичным примером такого режима являются насосы (насосы с высоким пусковым моментом необходимо подбирать по общепромышленному режиму (G), к таким насосам можно отнести скважинные насосы, насосы для перекачки вязких жидкостей, вакуумные насосы).
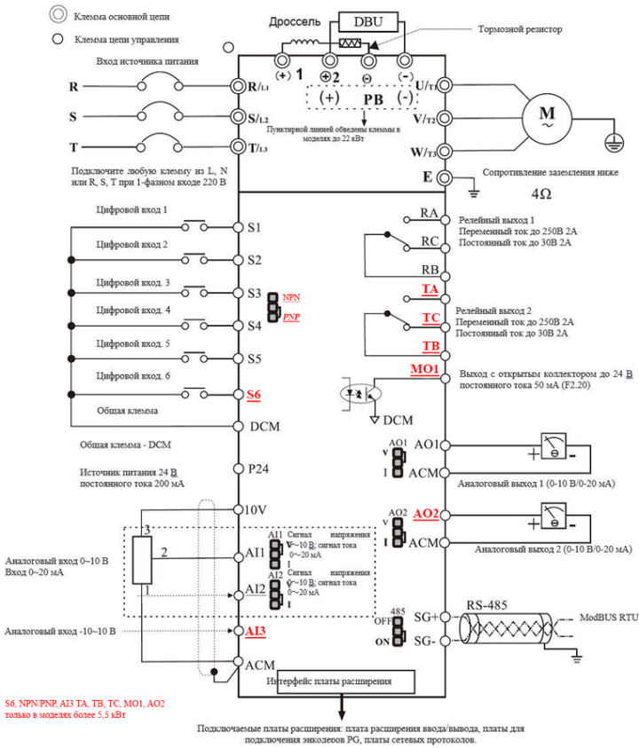
Схемы подключения преобразователей частоты серии LCI
LCI

LCI (s)

Массогабаритные характеристики


| Типоразмер | Модель | Вес (нетто), кг | Габаритные размеры, мм | Тип корпуса | Способ монтажа | |||||||||||||||||||||||||||||||||||||||||||||||||||||||
| Ш | В | Г | d | |||||||||||||||||||||||||||||||||||||||||||||||||||||||||
| 1 | LCI-G0.4-1 | 1,5 | 105 | 162 | 150 | 5 | Пластмассовый | Настенный | ||||||||||||||||||||||||||||||||||||||||||||||||||||
| LCI-G0.55-1 | ||||||||||||||||||||||||||||||||||||||||||||||||||||||||||||
| LCI-G0.75-1 | ||||||||||||||||||||||||||||||||||||||||||||||||||||||||||||
| LCI-G1.5-1 | ||||||||||||||||||||||||||||||||||||||||||||||||||||||||||||
| LCI-G2.2-1 | 2 | 115 | 220 | 150 | ||||||||||||||||||||||||||||||||||||||||||||||||||||||||
| LCI-G0.4-2B / LCI-G0.4-2B (S) | 1,5 | 106 | 163 | 144 | ||||||||||||||||||||||||||||||||||||||||||||||||||||||||
| LCI-G0.75-2B / LCI-G0.75-2B (S) | ||||||||||||||||||||||||||||||||||||||||||||||||||||||||||||
| LCI-G1.5-2B / LCI-G1.5-2B (S) | ||||||||||||||||||||||||||||||||||||||||||||||||||||||||||||
| LCI-G0.55-2B | 2 | 118 | 185 | 106 | ||||||||||||||||||||||||||||||||||||||||||||||||||||||||
| 2 | LCI-G2.2-2B / LCI-G2.2-2B (S) | 3,5 | 160 | 247 | 179 | |||||||||||||||||||||||||||||||||||||||||||||||||||||||
| LCI-G4.0-2B | ||||||||||||||||||||||||||||||||||||||||||||||||||||||||||||
| 1 | LCI-G0.4-3 | 1,5 | 118 | 185 | 157 | |||||||||||||||||||||||||||||||||||||||||||||||||||||||
| LCI-G0.75-3 | ||||||||||||||||||||||||||||||||||||||||||||||||||||||||||||
| LCI-G1.5-3 | ||||||||||||||||||||||||||||||||||||||||||||||||||||||||||||
| 2 | LCI-G2.2-3 | 2 | 160 | 247 | 177 | |||||||||||||||||||||||||||||||||||||||||||||||||||||||
| LCI-G4.0-3 | ||||||||||||||||||||||||||||||||||||||||||||||||||||||||||||
| LCI-G5.5-3 | ||||||||||||||||||||||||||||||||||||||||||||||||||||||||||||
| 1 | LCI-G0.75-4B (S) | 1,5 | 106 | 163 | 144 | |||||||||||||||||||||||||||||||||||||||||||||||||||||||
| LCI-G1.5-4B (S) | ||||||||||||||||||||||||||||||||||||||||||||||||||||||||||||
| LCI-G2.2-4B (S) | ||||||||||||||||||||||||||||||||||||||||||||||||||||||||||||
| LCI-G4.0-4B (S) | ||||||||||||||||||||||||||||||||||||||||||||||||||||||||||||
| 1 | LCI-G0.4/P0.75-4B | 2 | 118 | 185 | 157 | 5 | Пластмассовый | Настенный | ||||||||||||||||||||||||||||||||||||||||||||||||||||
| LCI-G0.75/Р1.5-4B | ||||||||||||||||||||||||||||||||||||||||||||||||||||||||||||
| LCI-G1.5/Р2.2-4B | ||||||||||||||||||||||||||||||||||||||||||||||||||||||||||||
| LCI-G2.2/Р4.0-4B | ||||||||||||||||||||||||||||||||||||||||||||||||||||||||||||
| LCI-G4.0/Р5.5-4B | ||||||||||||||||||||||||||||||||||||||||||||||||||||||||||||
| 2 | LCI-G5.5/P7.5-4B | 3,5 | 160 | 247 | 177 | |||||||||||||||||||||||||||||||||||||||||||||||||||||||
| LCI-G7.5/P11-4B | ||||||||||||||||||||||||||||||||||||||||||||||||||||||||||||
| LCI-G11/P15-4B | ||||||||||||||||||||||||||||||||||||||||||||||||||||||||||||
| 3 | LCI-G15/P18.5-4B | 6,2 | 220 | 321 | 197 | 6 | ||||||||||||||||||||||||||||||||||||||||||||||||||||||
| LCI-G18.5/P22-4B | ||||||||||||||||||||||||||||||||||||||||||||||||||||||||||||
| LCI-G22/P30-4B | ||||||||||||||||||||||||||||||||||||||||||||||||||||||||||||
| 4 | LCI-G30/P37-4 | 16,2 | 220 | 410 | 228 | 8 | ||||||||||||||||||||||||||||||||||||||||||||||||||||||
| LCI-G37/P45-4 | ||||||||||||||||||||||||||||||||||||||||||||||||||||||||||||
| 5 | LCI-G45/P55-4 | 25 | 255 | 455 | 236 | 9 | Металлический | |||||||||||||||||||||||||||||||||||||||||||||||||||||
| 6 | LCI-G55/P75-4 | 30 | 280 | 580 | 290 | 11 | ||||||||||||||||||||||||||||||||||||||||||||||||||||||
| LCI-G75/P90-4 | ||||||||||||||||||||||||||||||||||||||||||||||||||||||||||||
| 7 | LCI-G90/P110-4 | 45 | 300 | 680 | 325 | |||||||||||||||||||||||||||||||||||||||||||||||||||||||
| LCI-G110/P132-4 | 47 | |||||||||||||||||||||||||||||||||||||||||||||||||||||||||||
| 8 | LCI-G132/P160-4 | 71 | 360 | 680 | 325 | Настенно-напольный | ||||||||||||||||||||||||||||||||||||||||||||||||||||||
| LCI-G160/P185-4 | 71,3 | 420 | 840 | 325 | ||||||||||||||||||||||||||||||||||||||||||||||||||||||||
| LCI-G185/P200-4 | 73,3 | |||||||||||||||||||||||||||||||||||||||||||||||||||||||||||
| 9 | LCI-G200/P220-4 | 102,5 | 540 | 925 | 380 | 12 | ||||||||||||||||||||||||||||||||||||||||||||||||||||||
| LCI-G220/P250-4 | 104 | |||||||||||||||||||||||||||||||||||||||||||||||||||||||||||
| LCI-G250/P280-4 | 104,4 | |||||||||||||||||||||||||||||||||||||||||||||||||||||||||||
| 10 | LCI-G280/P315-4 | 147 | 640 | 1035 | 390 | |||||||||||||||||||||||||||||||||||||||||||||||||||||||
| LCI-G315/P355-4 | 150 | |||||||||||||||||||||||||||||||||||||||||||||||||||||||||||
| 11 | LCI-G355/P400-4 | 230 | 860 | 1200 | 400 | 15 | ||||||||||||||||||||||||||||||||||||||||||||||||||||||
| LCI-G400/P450-4 | ||||||||||||||||||||||||||||||||||||||||||||||||||||||||||||
| LCI-G500-4 | 280 | |||||||||||||||||||||||||||||||||||||||||||||||||||||||||||
| 12 | LCI-G630-4 | 1200 | 1255 | 600 | ||||||||||||||||||||||||||||||||||||||||||||||||||||||||
| LCI-G700-4 | 300 | |||||||||||||||||||||||||||||||||||||||||||||||||||||||||||
| LCI-G800-4 | ||||||||||||||||||||||||||||||||||||||||||||||||||||||||||||
| 5 | LCI-G18.5-6 | 25 | 255 | 455 | 235 | 9 | Пластмассовый | Настенный | ||||||||||||||||||||||||||||||||||||||||||||||||||||
| LCI-G22-6 | ||||||||||||||||||||||||||||||||||||||||||||||||||||||||||||
| LCI-G30-6 | ||||||||||||||||||||||||||||||||||||||||||||||||||||||||||||
| LCI-G37-6 | ||||||||||||||||||||||||||||||||||||||||||||||||||||||||||||
| LCI-G45-6 | ||||||||||||||||||||||||||||||||||||||||||||||||||||||||||||
| 6 | LCI-G55-6 | 30 | 280 | 582 | 295 | 11 | Металлический | |||||||||||||||||||||||||||||||||||||||||||||||||||||
| LCI-G75-6 | ||||||||||||||||||||||||||||||||||||||||||||||||||||||||||||
| LCI-G90-6 | ||||||||||||||||||||||||||||||||||||||||||||||||||||||||||||
| 7 | LCI-G110-6 | 47 | 300 | 715 | 323 | |||||||||||||||||||||||||||||||||||||||||||||||||||||||
| LCI-G132-6 | ||||||||||||||||||||||||||||||||||||||||||||||||||||||||||||
| 8 | LCI-G160-6 | 55 | 360 | 690 | 330 | |||||||||||||||||||||||||||||||||||||||||||||||||||||||
| 9 | LCI-G200-6 | 73,3 | 420 | 840 | 334 | 12 | ||||||||||||||||||||||||||||||||||||||||||||||||||||||
| LCI-G220-6 | ||||||||||||||||||||||||||||||||||||||||||||||||||||||||||||
| 10 | LCI-G250-6 | 120 | 540 | 1035 | 390 | 12 | Металлический | Настенный | ||||||||||||||||||||||||||||||||||||||||||||||||||||
| LCI-G280-6 | ||||||||||||||||||||||||||||||||||||||||||||||||||||||||||||
| LCI-G315-6 | 147 | 640 | 1035 | 390 | ||||||||||||||||||||||||||||||||||||||||||||||||||||||||
| LCI-G355-6 | ||||||||||||||||||||||||||||||||||||||||||||||||||||||||||||
| LCI-G400-6 | ||||||||||||||||||||||||||||||||||||||||||||||||||||||||||||
| 11 | LCI-G500-6 | 230 | 860 | 1200 | 400 | 15 | ||||||||||||||||||||||||||||||||||||||||||||||||||||||
| LCI-G630-6 | ||||||||||||||||||||||||||||||||||||||||||||||||||||||||||||
| 12 | LCI-G700-6 | 280 | 1200 | 1258 | 600 | |||||||||||||||||||||||||||||||||||||||||||||||||||||||
| LCI-G800-6 | ||||||||||||||||||||||||||||||||||||||||||||||||||||||||||||
| LCI-G900-6 | ||||||||||||||||||||||||||||||||||||||||||||||||||||||||||||
| LCI-G1250-6 | 300 | 1200 | 1528 | 600 | ||||||||||||||||||||||||||||||||||||||||||||||||||||||||
|
LCI-G1400-6 |
||||||||||||||||||||||||||||||||||||||||||||||||||||||||||||
Преобразователи частоты серии LCI со степенью защиты IP54
Корпус со степенью защиты IP54 следует выбирать для участков с повышенной влажностью, где может образовываться пыль и есть возможность попадания брызг на ПЧ.Если ПЧ в корпусе IP54 будет получать небольшое количество пыли, влаги, это не окажет неблагоприятного воздействия на работу.
Модели, имеющие степень защиты IP54, обладают такими же техническими характеристиками, что и модели LCI, но имеют иные массогабаритные характеристики:

| Модель | Габаритные размеры, мм | Тип корпуса | Способ монтажа | |||||||||||||||||||||||||||||||||||||||||||||||||||||||||
| Ш | В | Г | d | |||||||||||||||||||||||||||||||||||||||||||||||||||||||||
| LCI-G0.75-4B IP54 | 132,5 | 252 | 177 | 6 |
Металлический |
Настенный | ||||||||||||||||||||||||||||||||||||||||||||||||||||||
| LCI-G1.5-4B IP54 | ||||||||||||||||||||||||||||||||||||||||||||||||||||||||||||
| LCI-G2.2-4B IP54 | ||||||||||||||||||||||||||||||||||||||||||||||||||||||||||||
| LCI-G4.0-4B IP54 | ||||||||||||||||||||||||||||||||||||||||||||||||||||||||||||
| LCI-G5.5-4B IP54 | 174,5 | 310 | 187 | |||||||||||||||||||||||||||||||||||||||||||||||||||||||||
| LCI-G7.5-4B IP54 | ||||||||||||||||||||||||||||||||||||||||||||||||||||||||||||
| LCI-G11-4B IP54 | ||||||||||||||||||||||||||||||||||||||||||||||||||||||||||||
| LCI-G15-4B IP54 | 238 | 390 | 192 | |||||||||||||||||||||||||||||||||||||||||||||||||||||||||
| LCI-G18.5-4В IP54 | ||||||||||||||||||||||||||||||||||||||||||||||||||||||||||||
| LCI-G22-4В IP54 | ||||||||||||||||||||||||||||||||||||||||||||||||||||||||||||
| LCI-G30-4 IP54 | 240 | 430 | 226 | 7 | ||||||||||||||||||||||||||||||||||||||||||||||||||||||||
| LCI-G37-4 IP54 | ||||||||||||||||||||||||||||||||||||||||||||||||||||||||||||
| LCI-G45-4 IP54 | 275 | 480 | 226 | |||||||||||||||||||||||||||||||||||||||||||||||||||||||||
| LCI-G55-4 IP54 | 302 | 595 | 275 | 9 | ||||||||||||||||||||||||||||||||||||||||||||||||||||||||
| LCI-G75-4 IP54 | ||||||||||||||||||||||||||||||||||||||||||||||||||||||||||||
| LCI-G90-4 IP54 | 320 | 698 | 312 | 10 | ||||||||||||||||||||||||||||||||||||||||||||||||||||||||
| LCI-G110-4 IP54 | ||||||||||||||||||||||||||||||||||||||||||||||||||||||||||||
| LCI-G132-4 IP54 | 382 | 321 | 11 | |||||||||||||||||||||||||||||||||||||||||||||||||||||||||
| LCI-G160-4 IP54 | ||||||||||||||||||||||||||||||||||||||||||||||||||||||||||||
| LCI-G185-4 IP54 | ||||||||||||||||||||||||||||||||||||||||||||||||||||||||||||
| LCI-G200-4 IP54 | 540 | 940 | 380 | 13 | ||||||||||||||||||||||||||||||||||||||||||||||||||||||||
| LCI-G220-4 IP54 | ||||||||||||||||||||||||||||||||||||||||||||||||||||||||||||
| LCI-G250-4 IP54 | ||||||||||||||||||||||||||||||||||||||||||||||||||||||||||||
| LCI-G280-4 IP54 | 640 | 1035 | 380 | |||||||||||||||||||||||||||||||||||||||||||||||||||||||||
| LCI-G315-4 IP54 | ||||||||||||||||||||||||||||||||||||||||||||||||||||||||||||
| LCI-G355-4 IP54 | ||||||||||||||||||||||||||||||||||||||||||||||||||||||||||||
| LCI-G400-4 IP54 | 860 | 1200 | 400 | 15 | ||||||||||||||||||||||||||||||||||||||||||||||||||||||||
| LCI-G450-4 IP54 | ||||||||||||||||||||||||||||||||||||||||||||||||||||||||||||
|
LCI-G500-4 IP54 |
||||||||||||||||||||||||||||||||||||||||||||||||||||||||||||
|
Серия
|
LCI |
|
Мощность
|
22/30 |
|
Напряжение
|
380В |
|
Тип нагрузки
|
Общепром/Насосный |
|
Перегрузочная способность
|
тяжелый режим; легкий режим |
|
Степень защиты
|
IP20 |
|
ЭМС фильтр
|
да |
|
Аналоговый вход (0-10В, 4-20мА)
|
3 |
|
Протокол связи
|
ModBUS RTU |
|
Напряжение
|
от -10 до + 40 С |
|
Размер (ШхВхГ), мм
|
220x410x225 |
|
Вес, кг
|
16.2 |
|
Ток,А
|
58 |
|
Пусконаладка
|
Да |
|
Управление
|
скалярный; векторный |
|
Гарантия
|
36 месяцев |
Для покупки товара в интернет-магазине ООО «ЭЛЕКТРОПРИВОД» выберите понравившийся товар и добавьте его в корзину. Далее перейдите в Корзину и нажмите на «Оформить заказ» или «Быстрый заказ».
Когда оформляете быстрый заказ, напишите ФИО, телефон и e-mail. Вам перезвонит менеджер ЭЛЕКТРОПРИВОДА и уточнит условия заказа. По результатам разговора на указанный Вами e-mail придет подтверждение оформления заказа.
При оформлении заказа в стандартном режиме заполните форму, указав способ получения товара (самовывоз из бесплатных пунктов выдачи заказов либо адрес для доставки), способ оплаты, данные о себе или организации, которую Вы представляете. Нажмите кнопку «Оформить заказ». Вам перезвонит менеджер ООО «ЭЛЕКТРОПРИВОД» и уточнит условия заказа. По результатам разговора на указанный Вами e-mail придет подтверждение оформления заказа.
Также Вы можете оформить заказ по электронной почте sale@eldrive.ru и телефону 8 (800) 101-28-88 (бесплатный звонок по России). Наши специалисты порекомендуют наиболее подходящее под ваши требования оборудование.
В ООО «ЭЛЕКТРОПРИВОД» заказы отгружаются покупателю после 100% предоплаты. Для покупателей доступны следующие способы оплаты:
Для физических лиц:
- онлайн-оплата;
- оплата наличными курьеру при доставке оборудования;
- оплата наличными в кассах ООО «ЭЛЕКТРОПРИВОД» при самовывозе оборудования
безналичная оплата в банке по квитанции.
- безналичная оплата по счету.
- самовывоз из бесплатных пунктов выдачи заказов по всей РФ.
- доставка собственным или привлеченным транспортом. При выборе этого способа Вам не нужно будет заботиться о сохранности груза, заключать дополнительные договоры и тратить свое время на подбор автомобиля нужной грузоподъемности и общение с перевозчиками.
- отгрузка через транспортные компании (далее ТК). Точная стоимость за услугу доставки через ТК определяется только после сдачи товара на терминал транспортной компании и оплачивается клиентом самостоятельно, если иное не предусмотрено договором.
Мы готовы организовать доставку товара в любую точку РФ.
Наши специалисты помогут рассчитать и подобрать оптимальный способ по стоимости и срокам доставки.


